車載オルタネータ用ダイオード 「SG-K17VLEFGR、SG-K17VLEFGS」量産を開始 当社従来品と比べ順方向降下電圧を約40%低減
サンケン電気株式会社(埼玉県新座市北野3-6-3)は、車載オルタネータ用ダイオード「SG-K17VLEFGR、SG-K17VLEFGS」の量産を開始しました。
本製品は、平均順方向電流50Aという大電流対応品でありながら、当社従来品と比べ順方向降下電圧を約40%低減しました(VF = 0.67V max.)。これにより高効率のオルタネータ回路を構成でき、燃費の向上に貢献します。また、ツェナーダイオード特性を持っており、高いサージ耐量(IFSM = 500A)を有する信頼性の高い製品です。
SG-K17VLEFGRとSG-K17VLEFGSは極性が逆になっており、ペアで使用することで、狭いスペースに効率的にブリッジ回路を構成できます。
パッケージは、高温・高湿条件において高い信頼性を有した高放熱のプレスフィット型(*1)を採用しています。エンジンルーム内の過酷な環境でも安心してご使用いただけます。
12Vバッテリー用オルタネータ回路に最適です。

開発背景
オルタネータとは、エンジンの回転を利用して電力を生成する発電機です。車載バッテリーを充電するとともに、ヘッドライト、エアコン、カーナビなど各種電装品の動作に必要な電力を生み出す部品です。近年、電装品で必要とされる電力は増加の傾向にあり、オルタネータの大電流化が進んでいます。
オルタネータ用のダイオードは、エンジンで生成した交流電力を、バッテリーや電装品が必要とする直流電力に変換する働きを担っており、高熱な環境下に耐える高い信頼性に加え、燃費向上につながる低損失・省エネ性能が求められます。
本製品は内蔵チップの構造を従来品から見直すことで、IF(AV):50A、VRM:17VでありながらVF:0.67V(max.)と、大電流化と低VF化の両立を実現しました。
用語解説
(*1) プレスフィット型
スルーホールに圧入するだけで実装が可能な、はんだ付けが不要な形状のパッケージ
用途
12Vバッテリー用オルタネータ回路
特長
- 低VF 0.67V(max.)(IF = 100A)
- プレスフィット型パッケージ
- 高いジャンクション温度(TJ=200℃保証)
- 熱疲労試験:5,000サイクル保証
- 高サージ耐量(JASO A-1規格対応)
IFSM = 500A(10ms 正弦波、半波、単発) - 端子部Pbフリー(RoHS対応)
パッケージ
・プレスフィット型

応用回路例

SG-K17VLEFG(新製品)とSG-17VLZ(従来品)との特性比較
・VF-IF特性

・VR-IR特性

代表特性
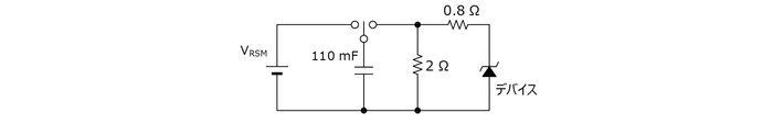
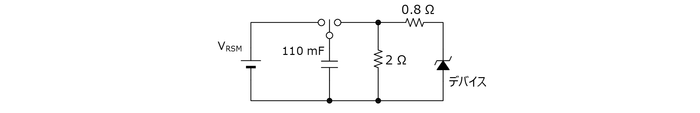
- ピーク非繰返し逆電圧 VRSM: 50V(ピーク非繰返し逆電圧測定回路図参照)
- ピーク繰返し逆電圧 VRM: 17V
- 平均順方向電流 IF(AV): 50A
- サージ順方向電流 IFSM: 500A(10ms 正弦波、半波、単発)
- 順方向降下電圧 VF: 0.67V(Max.)(IF = 100A)
- 逆方向漏れ電流 IR: 20μA
- 高温逆方向漏れ電流 H/IR: 200mA(Max.)(VR = VRM、TJ = 200℃)
- 逆方向降伏電圧 VZ: 20V~26V(IZ = 10mA)
- 接合部温度 TJ: -40℃~200℃
- 保存温度 TSTG: -40℃~200℃

オルタネータ用ダイオードラインアップ

外形図

会社概要
社名 : サンケン電気株式会社
代表者 : 代表取締役社長CEO 高橋 広
所在地 : 〒352-8666 埼玉県新座市北野三丁目6番3号
設立 : 1946年9月5日
事業内容: 電子部品、デバイス、電子回路の製造および販売
電気機械器具の製造および販売
前各号に付帯する一切の業務
資本金 : 20,896,789,680円
URL : https://www.sanken-ele.co.jp/









