保護機能の充実と効率改善を実現 新製品 高圧3相モータ用ドライバ「SCM127xMBシリーズ」
サンケン電気株式会社(埼玉県新座市北野3-6-3)の新製品、白物家電向け高圧3相モータ用ドライバ「SCM127xMBシリーズ」をご案内します。
SCM127xMBシリーズは、出力素子、プリドライバおよび制限抵抗付きブートストラップダイオードを1パッケージにした耐圧600Vの高圧3相モータ用ドライバです。
SCM1274MB(600V/20A)とSCM1276MB(600V/30A)のラインアップで、このたびSCM1274MBの量産を開始しました。
従来品に保護機能を追加し、製品の安全性を向上しています。また、出力素子のフリーホイールダイオード特性を改善し、効率の向上およびノイズの低減を実現しました。パッケージは放熱フィン付きのDIP33を採用しており、放熱性が高く、余裕のある温度設計が可能です。
3シャント方式に対応し、ユニバーサル入力仕様の中容量モータのインバータ制御に最適です。

開発背景
当社の高圧3相モータ用ドライバ SCM12xxMFシリーズは、出力素子、プリドライバおよび制限抵抗付きブートストラップダイオードを1パッケージにしています。コンパクトで高機能な回路を簡単に構成でき、洗濯機のドラム駆動やエアコンのコンプレッサなどで多くの実績がある製品です。
近年、洗濯機やエアコンなどの白物家電は、モデルチェンジのたびに更なる高機能化が必要とされています。回路設計においても、安全性の向上はもちろん、効率の向上もシビアに追及されています。
そこでSCM127xMBシリーズでは、従来製品であるSCM127xMFシリーズに、短絡時過電流保護機能(SCP)*1やサーマルシャットダウン(TSD)などの保護機能を追加しました。さらに温度モニタの検出精度も向上させ、より安全性の高い回路設計を可能としました。
また、出力素子のフリーホイールダイオード特性を改善し、効率の向上とノイズの低減も実現しました。
用語解説
(*1) 短絡時過電流保護機能(SCP:Short Circuit Protection)
出力端子が電源ラインへショート、もしくは出力端子同士がショートする異常が発生し、過大な電流が流れた際に、回路全体が壊れてしまうのを防ぐ機能。
用途
●冷蔵庫・エアコンのコンプレッサ駆動
●洗濯機のドラム駆動
●ファンモータ、ポンプ駆動
ラインアップ

*開発中
特徴
● 温度モニタ機能搭載
● 異常時に全出力素子の遮断が可能(FO1、FO2、FO3端子の共通接続)
● ブートストラップダイオード内蔵(制限抵抗22Ω)
● CMOS(3.3V、5V系)入力レベル対応
● Pbフリー(RoHS対応)
● 保護回路動作時エラー信号出力
● 保護機能
・電源電圧低下保護機能
ハイサイド(UVLO_VB):自動復帰
ローサイド(UVLO_VCC):自動復帰
・過電流保護機能(OCP):自動復帰
・同時オン防止機能:自動復帰
・短絡時過電流保護機能(SCP):自動復帰
・サーマルシャットダウン(TSD):自動復帰
■安全性の向上:保護機能の追加
従来製品のSCM127xMFシリーズから保護機能を追加し、製品の安全性を向上しました。
また、短絡時過電流保護機能(SCP)を搭載したことで、すべての相で過電流を検出できるようになりました。これにより、V相短絡時に出力素子をオフするまでの時間が短くなりました。

■安全性の向上:温度検出精度の向上
SCM127xMBシリーズは、VT端子の温度モニタ電圧を使用して、制御ICのジャンクション温度をモニタします。
VT-TJ(MIC) 特性の傾きを変更し、制御ICのジャンクション温度を高い精度でモニタできるようになりました。

高効率化
従来製品から出力素子のフリーホイールダイオードのVFを低減し、実動作領域(~10A)における効率を向上しました。

低ノイズ化
ターンオフ時の特性を変更し、ノイズを低減しました。

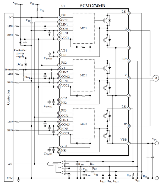
応用回路例
3シャント検出方式

製品外観
パッケージ名称:DIP33(放熱フィン付き)
(ピン間隔:1.27mm、ボディーサイズ:47mm×19mm×4.4mm)

端子機能

会社概要
社名 : サンケン電気株式会社
代表者 : 代表取締役社長CEO 高橋 広
所在地 : 〒352-8666 埼玉県新座市北野三丁目6番3号
設立 : 1946年9月5日
事業内容: 電子部品、デバイス、電子回路の製造および販売
電気機械器具の製造および販売
前各号に付帯する一切の業務
資本金 : 20,896,789,680円
URL : https://www.sanken-ele.co.jp/










